| Availability: | |
|---|---|
| Quantity: | |
Z2S16 Z2S10 Z2S6-6X Superimposed Hydraulic Control Check Valve








Z2S16, Z2S10, Z2S6-6X superimposed hydraulic control check valves are commonly used control components in hydraulic systems. The following is a detailed introduction from the aspects of product characteristics, technical parameters, application scenarios and selection suggestions:
1. Product Features
The superimposed structure adopts a superimposed design and can be vertically superimposed and installed with other hydraulic valves (such as directional valves, pressure valves, etc.), saving installation space and simplifying the hydraulic system pipeline.
The hydraulic control function enables the opening and closing of the check valve through the oil control circuit, and is suitable for hydraulic systems that require remote control or program control.
High-quality sealing materials are used to ensure no leakage and are suitable for high-pressure and high-flow conditions.
The fast response hydraulic control design makes the valve respond quickly and is suitable for hydraulic systems that require quick switching.
The modular design can be flexibly combined according to system needs, making it easier to expand and maintain the system.
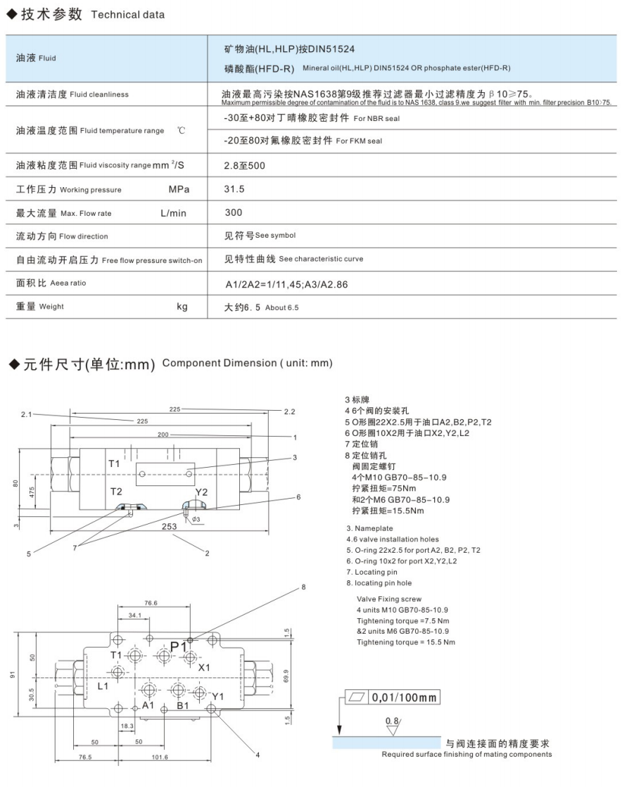
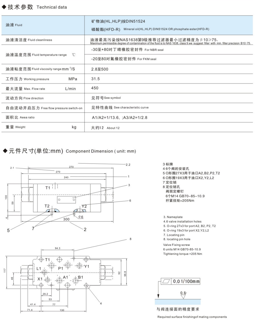
2. Technical parameters
Nominal diameter Z2S6-6X: 6mm
Z2S10: 10mm
Z2S16: 16mm
The rated flow rate is 60~200L/min depending on the diameter of the flow rate.
The working pressure is 31.5MPa, which is suitable for high-pressure hydraulic systems.
The opening pressure is adjustable, with a range of 0.15~0.6MPa, which can be set according to system requirements.
The working medium is suitable for mineral oil, hydraulic oil and other media, and the medium temperature range is usually -20℃~+80℃.
The connection method adopts plate connection or flange connection, which is convenient for integration with other hydraulic components.
III. Application scenarios
Construction machinery is used for hydraulic systems of excavators, loaders and other equipment to control the telescopic movement of hydraulic cylinders.
Metallurgical equipment is used to control the pressure and flow of the hydraulic system in rolling mills, shearing machines and other equipment.
Plastic machinery is used in hydraulic systems for injection molding machines, blow molding machines and other equipment, achieving rapid reversing and pressure holding functions.
Agricultural machinery is used to control hydraulic suspension systems in combined harvesters, tractors and other equipment.
Marine hydraulic systems are used in servo machines, anchor lifting machines and other equipment to ensure the stable operation of the hydraulic system.








Z2S16, Z2S10, Z2S6-6X superimposed hydraulic control check valves are commonly used control components in hydraulic systems. The following is a detailed introduction from the aspects of product characteristics, technical parameters, application scenarios and selection suggestions:
1. Product Features
The superimposed structure adopts a superimposed design and can be vertically superimposed and installed with other hydraulic valves (such as directional valves, pressure valves, etc.), saving installation space and simplifying the hydraulic system pipeline.
The hydraulic control function enables the opening and closing of the check valve through the oil control circuit, and is suitable for hydraulic systems that require remote control or program control.
High-quality sealing materials are used to ensure no leakage and are suitable for high-pressure and high-flow conditions.
The fast response hydraulic control design makes the valve respond quickly and is suitable for hydraulic systems that require quick switching.
The modular design can be flexibly combined according to system needs, making it easier to expand and maintain the system.
2. Technical parameters
Nominal diameter Z2S6-6X: 6mm
Z2S10: 10mm
Z2S16: 16mm
The rated flow rate is 60~200L/min depending on the diameter of the flow rate.
The working pressure is 31.5MPa, which is suitable for high-pressure hydraulic systems.
The opening pressure is adjustable, with a range of 0.15~0.6MPa, which can be set according to system requirements.
The working medium is suitable for mineral oil, hydraulic oil and other media, and the medium temperature range is usually -20℃~+80℃.
The connection method adopts plate connection or flange connection, which is convenient for integration with other hydraulic components.
III. Application scenarios
Construction machinery is used for hydraulic systems of excavators, loaders and other equipment to control the telescopic movement of hydraulic cylinders.
Metallurgical equipment is used to control the pressure and flow of the hydraulic system in rolling mills, shearing machines and other equipment.
Plastic machinery is used in hydraulic systems for injection molding machines, blow molding machines and other equipment, achieving rapid reversing and pressure holding functions.
Agricultural machinery is used to control hydraulic suspension systems in combined harvesters, tractors and other equipment.
Marine hydraulic systems are used in servo machines, anchor lifting machines and other equipment to ensure the stable operation of the hydraulic system.