KVH6 Two-position Six-way Reversing Valve


KVH6 two-position six-way reversing valve is a control component widely used in industrial automation, hydraulic systems and other fields. The following is a detailed introduction from the aspects of product characteristics, technical parameters, application scenarios, working principles, purchasing suggestions, etc.:
1. Product Features
Two-digit six-way function
The reversing valve has two working positions (two positions) and six oil ports (six-way). Through the switching of the valve core, the oil circuit can be flexibly connected and disconnected, meeting the control needs of complex hydraulic systems.
Electromagnetic drive method
The electromagnet is used as the driving source, which has fast response speed and high control accuracy, and can realize remote automatic control and reduce manual operation intensity.
High compatibility
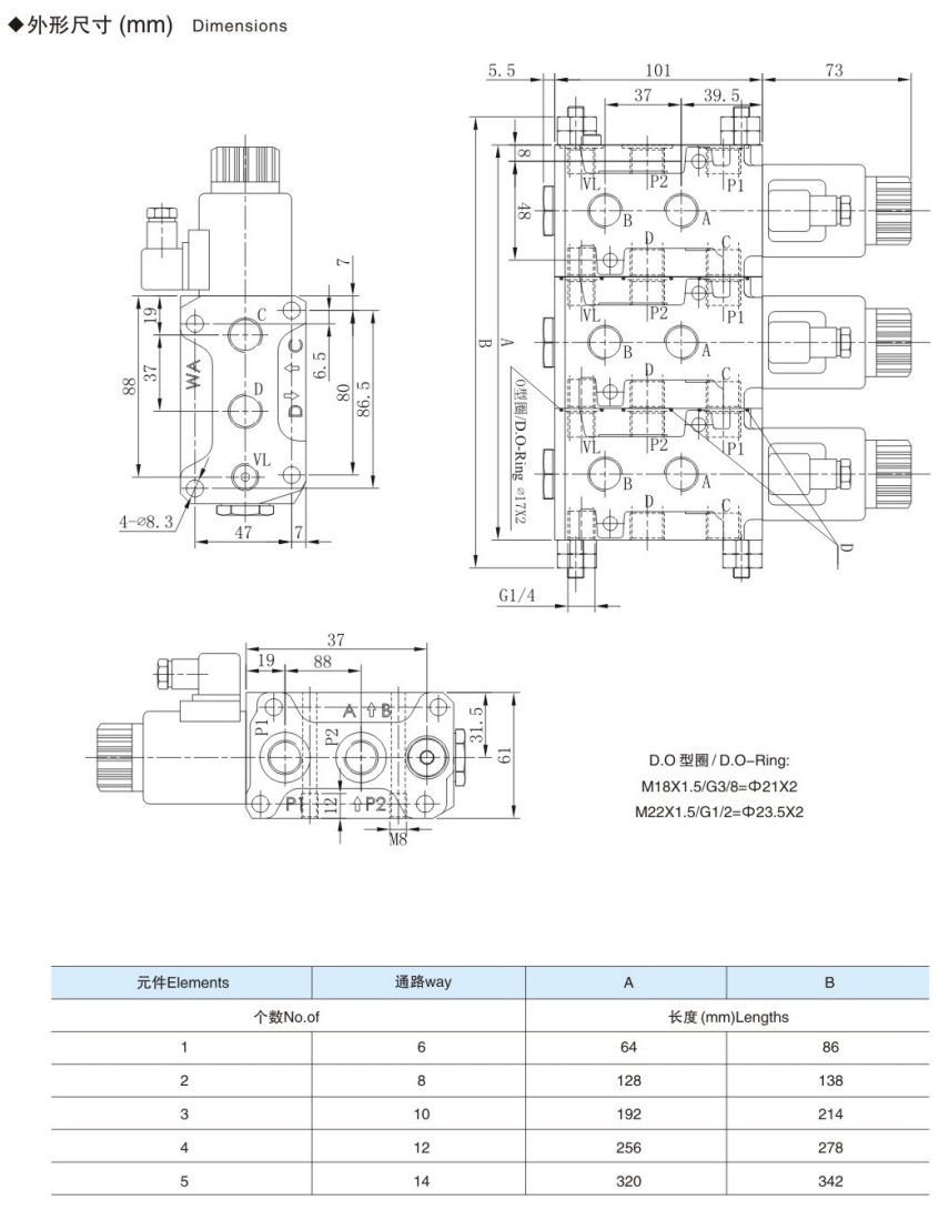
It provides a variety of voltage specifications (such as DC12V, DC24V, etc.) to adapt to different power supply environments; the interface sizes are diverse (such as G1/4, G3/8, G1/2, etc.), which are convenient for integration with existing hydraulic systems.
High flow and pressure support
The flow rate range covers 20L/min to 160L/min, and the working pressure can reach 31.5MPa, meeting the needs of large flow and high pressure conditions.
Structural and Material Advantages
Compact design: small size, light weight, saving installation space.
Corrosion-resistant materials: stainless steel is surfacing on the sealing surface, polyurethane rubber ring is inlaid with valve discs, anti-rust and wear-resistant, and has a long service life.
High-precision processing: The sealing surface roughness Ra≤0.8μm ensures sealing performance.
2. Technical parameters
Parameter description
Nominal diameter 1/4 inch to 1/2 inch (optional depending on model)
Nominal pressure 1.0MPa (regular), support 31.5MPa (specific model)
Applicable temperature -20℃ to +80℃ (standard type), high temperature type can be expanded to higher temperatures
Suitable for medium hydraulic oil, lubricating oil, etc.
Connection form flange connection, threaded connection (optional according to model)
Control method electromagnetic control (DC12V, DC24V, etc.)
Flow range 20L/min to 160L/min (depending on model and pressure level)
III. Application scenarios
Industrial automation
It is used in hydraulic systems for machine tools, injection molding machines, die-casting machines and other equipment to realize rapid switching and control of oil circuits.
Engineering machinery
In excavators, cranes and other equipment, the movement of hydraulic cylinders and hydraulic motors is controlled to improve the operating accuracy and efficiency of the equipment.
Mine and metallurgy
Hydraulic systems used in mining machinery and metallurgical equipment to adapt to harsh working conditions and ensure stable operation of the equipment.
Agricultural machinery
In agricultural equipment such as tractors and harvesters, the steering, lifting and other functions of the hydraulic system are controlled.
4. Working principle
The KVH6 two-position six-way reversing valve controls the movement of the valve core through the on-off power of the solenoid:
Power-off status: The valve core is in its initial position, some oil ports are connected, and other oil ports are closed.
Power-on state: The solenoid suction valve core moves to another position, switches the oil port connection state, and realizes the reversal of the oil circuit.
Sealing and switching: When the valve core moves, the sealing assembly closes or opens the corresponding oil port under the action of a cam to ensure the reliability and sealing of oil circuit switching.


KVH6 two-position six-way reversing valve is a control component widely used in industrial automation, hydraulic systems and other fields. The following is a detailed introduction from the aspects of product characteristics, technical parameters, application scenarios, working principles, purchasing suggestions, etc.:
1. Product Features
Two-digit six-way function
The reversing valve has two working positions (two positions) and six oil ports (six-way). Through the switching of the valve core, the oil circuit can be flexibly connected and disconnected, meeting the control needs of complex hydraulic systems.
Electromagnetic drive method
The electromagnet is used as the driving source, which has fast response speed and high control accuracy, and can realize remote automatic control and reduce manual operation intensity.
High compatibility
It provides a variety of voltage specifications (such as DC12V, DC24V, etc.) to adapt to different power supply environments; the interface sizes are diverse (such as G1/4, G3/8, G1/2, etc.), which are convenient for integration with existing hydraulic systems.
High flow and pressure support
The flow rate range covers 20L/min to 160L/min, and the working pressure can reach 31.5MPa, meeting the needs of large flow and high pressure conditions.
Structural and Material Advantages
Compact design: small size, light weight, saving installation space.
Corrosion-resistant materials: stainless steel is surfacing on the sealing surface, polyurethane rubber ring is inlaid with valve discs, anti-rust and wear-resistant, and has a long service life.
High-precision processing: The sealing surface roughness Ra≤0.8μm ensures sealing performance.
2. Technical parameters
Parameter description
Nominal diameter 1/4 inch to 1/2 inch (optional depending on model)
Nominal pressure 1.0MPa (regular), support 31.5MPa (specific model)
Applicable temperature -20℃ to +80℃ (standard type), high temperature type can be expanded to higher temperatures
Suitable for medium hydraulic oil, lubricating oil, etc.
Connection form flange connection, threaded connection (optional according to model)
Control method electromagnetic control (DC12V, DC24V, etc.)
Flow range 20L/min to 160L/min (depending on model and pressure level)
III. Application scenarios
Industrial automation
It is used in hydraulic systems for machine tools, injection molding machines, die-casting machines and other equipment to realize rapid switching and control of oil circuits.
Engineering machinery
In excavators, cranes and other equipment, the movement of hydraulic cylinders and hydraulic motors is controlled to improve the operating accuracy and efficiency of the equipment.
Mine and metallurgy
Hydraulic systems used in mining machinery and metallurgical equipment to adapt to harsh working conditions and ensure stable operation of the equipment.
Agricultural machinery
In agricultural equipment such as tractors and harvesters, the steering, lifting and other functions of the hydraulic system are controlled.
4. Working principle
The KVH6 two-position six-way reversing valve controls the movement of the valve core through the on-off power of the solenoid:
Power-off status: The valve core is in its initial position, some oil ports are connected, and other oil ports are closed.
Power-on state: The solenoid suction valve core moves to another position, switches the oil port connection state, and realizes the reversal of the oil circuit.
Sealing and switching: When the valve core moves, the sealing assembly closes or opens the corresponding oil port under the action of a cam to ensure the reliability and sealing of oil circuit switching.