| Availability: | |
|---|---|
| Quantity: | |
EFBG EFG EBG EDG Electro-hydraulic Proportional Control Valve













EFBG, EFG, EBG, and EDG electro-hydraulic proportional control valves are commonly used in industrial hydraulic systems. The following is a detailed introduction from the aspects of product series, technical characteristics, application fields and selection points:
1. Product Series Overview
EFBG series features: electro-hydraulic proportional pressure/flow composite valve, suitable for high-precision pressure and flow control.
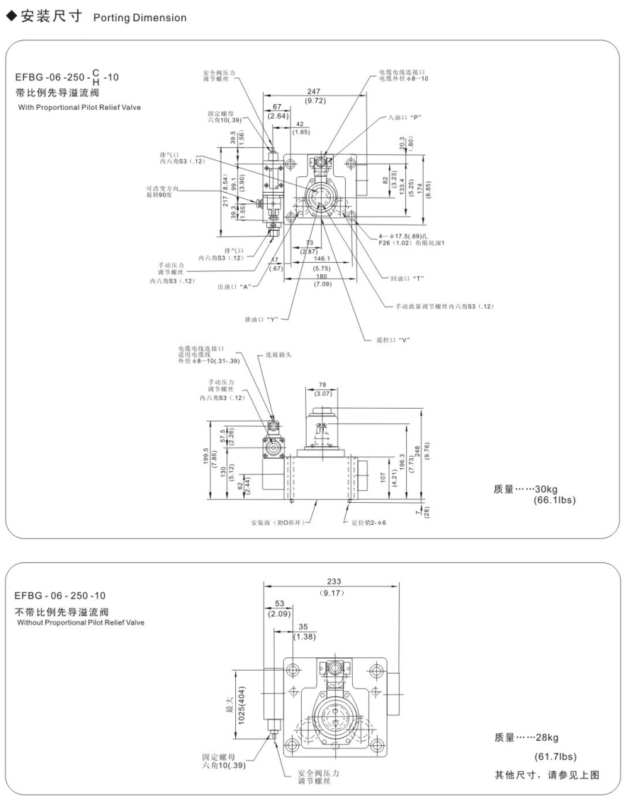
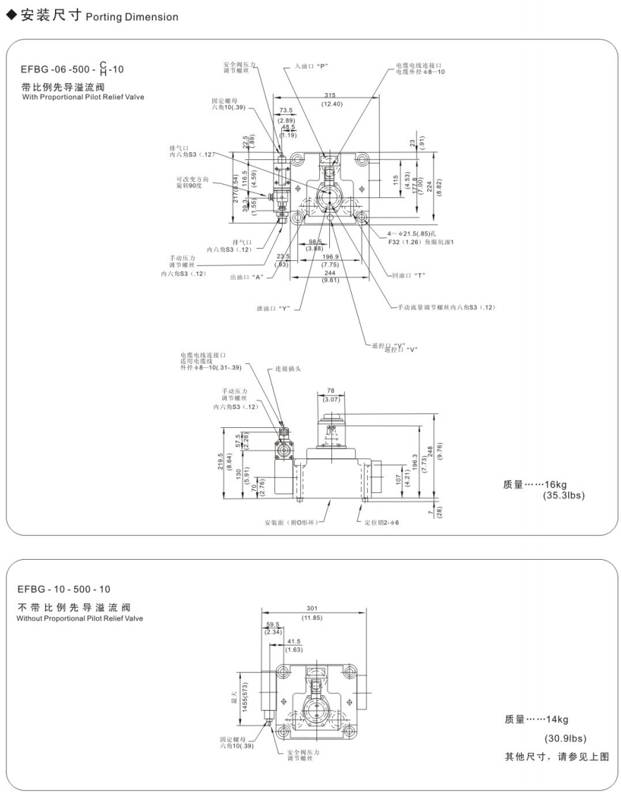
Model examples: EFBG-03-125-C, EFBG-06-250-H.
Applications: injection molding machines, die casting machines, hydraulic stations, etc.
Features of EFG series: electro-hydraulic proportional speed control valve and one-way speed control valve, the flow rate continuously changes with the input current.
Model examples: EFG-03-C, EFG-06-H.
Application: Construction machinery, metallurgical equipment.
Features of EBG series: electro-hydraulic proportional overflow valve, pilot design, low noise, high precision.
Model examples: EBG-03-C, EBG-06-HT.
Application: hydraulic press, hydraulic system pressure control.
Features of EDG series: electro-hydraulic proportional control valve, plate valve structure, support a variety of valve core selection.
Model examples: EDG-01-C, EDG-01-H.
Application: automated production line, hydraulic test bench.
2. Technical characteristics
High-precision control enables precise control of pressure, flow or direction through proportional solenoid drives the valve core.
Typical accuracy: ±1% (pressure), ±2% (flow).
The fast response response time is ≤50ms, suitable for dynamic working conditions.
The energy-saving design pressure difference is kept minimized and energy consumption is reduced.
Temperature compensation function ensures stable flow.
The modular structure supports plate, tube or superimposed installation, which facilitates system integration.













EFBG, EFG, EBG, and EDG electro-hydraulic proportional control valves are commonly used in industrial hydraulic systems. The following is a detailed introduction from the aspects of product series, technical characteristics, application fields and selection points:
1. Product Series Overview
EFBG series features: electro-hydraulic proportional pressure/flow composite valve, suitable for high-precision pressure and flow control.
Model examples: EFBG-03-125-C, EFBG-06-250-H.
Applications: injection molding machines, die casting machines, hydraulic stations, etc.
Features of EFG series: electro-hydraulic proportional speed control valve and one-way speed control valve, the flow rate continuously changes with the input current.
Model examples: EFG-03-C, EFG-06-H.
Application: Construction machinery, metallurgical equipment.
Features of EBG series: electro-hydraulic proportional overflow valve, pilot design, low noise, high precision.
Model examples: EBG-03-C, EBG-06-HT.
Application: hydraulic press, hydraulic system pressure control.
Features of EDG series: electro-hydraulic proportional control valve, plate valve structure, support a variety of valve core selection.
Model examples: EDG-01-C, EDG-01-H.
Application: automated production line, hydraulic test bench.
2. Technical characteristics
High-precision control enables precise control of pressure, flow or direction through proportional solenoid drives the valve core.
Typical accuracy: ±1% (pressure), ±2% (flow).
The fast response response time is ≤50ms, suitable for dynamic working conditions.
The energy-saving design pressure difference is kept minimized and energy consumption is reduced.
Temperature compensation function ensures stable flow.
The modular structure supports plate, tube or superimposed installation, which facilitates system integration.